工程设计费(市政类)
选择省份:
湖北省
工程费用:
万元/万m²
计算依据:
厅头(2023)936号
行业调整系数:
查看说明
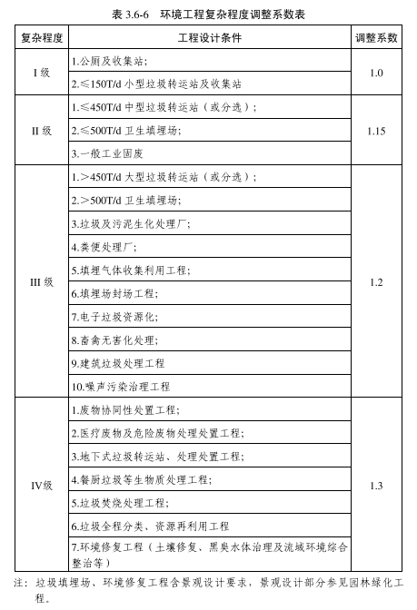
复杂程度调整系数:
查看说明
打折折扣:
%
目前市场行情采用较多折扣为60%,各地区取值略有不同
查看说明
计算金额:
万元
点击计算
×
×
手机号或者邮箱未绑定
请前往个人中心,绑定手机号或者邮箱,否则可能造成购买会员无法使用!
长按识别二维码,
关注
“大牛约稿”
公众号。
快捷入口:报价助手
方便您随时随地报价
×
完善信息后免费使用
手机号:
获取验证码
验证码: